○西伊豆町乳児健康診査実施要綱
令和7年8月21日
要綱第36号
(趣旨)
第1条 この要綱は、乳児の健全な育成に資するため、母子保健法(昭和40年法律第141号)第13条の規定に基づき行う乳児健康診査に関し、必要な事項を定めるものとする。
(対象者)
第2条 乳児健康診査の対象者(以下「対象者」という。)は、町内に住所を有する1歳未満の乳児とする。
(乳児健康診査の実施機関)
第3条 乳児健康診査は、原則として町から委任を受けた静岡県と乳児健康診査に係る協定又は1か月児健康診査に係る協定を締結した病院、診療所又は助産所(以下「協定病院等」という。)に委託して実施するものとする。
(乳児健康診査の実施内容等)
第4条 乳児健康診査は乳児1人につき3回を限度とし、受診時期の目安及び内容は別表のとおりとする。
2 対象者が、やむを得ない理由により別表に定める期間に乳児健康診査を受診できなかった場合は、協定病院等に申し出て、当該期間外であっても受診することができる。
(委託料)
第5条 乳児健康診査の委託料については、乳児健康診査に係る費用とし、第3条の協定病院との協定により定めた額を限度とする。
2 町長は、次に掲げる者から西伊豆町乳児健康診査受診票交付(再交付)申請書(様式第4号)の提出があった場合には、その状況を確認の上、受診票を交付するものとする。
(1) 他の市町村において母子健康手帳の交付を受けた後、当町に転入した者
(2) 受診票を紛失又は毀損した者
(町長の責務)
第7条 町長は受診票を交付するに際して乳児健康診査の目的、内容及び利用の方法等を十分に説明するものとする。
2 町長は、乳児健康診査の結果、経過観察、処置又は医療が必要とされた者に対しては、協定病院等の関係機関と緊密な連携を図り、受診者の保護者に対して保健師等による訪問指導を行う等事後指導の徹底を図るものとする。
2 協定病院等は、乳児健康診査を実施した結果、受診者の保護者に指示する事項があれば速やかに指示するとともに、精密検査、治療等を要する場合は適切な処置を講ずるほか、必要があれば他の医療機関に紹介するものとする。
3 協定病院等は、町が実施する保健師等による訪問指導等との連携が十分に図られるよう配慮するものとする。
(費用の請求及び支払)
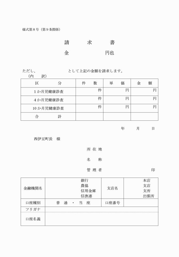
第9条 協定病院等が乳児健康診査を実施したときは、実施した日の属する月の翌月の10日までに、請求書(様式第8号)により、町長に委託料を請求するものとする。
2 前項の請求は、診査票を添付して行うものとする。
3 町長は、第1項の規定による請求があったときは、当該請求のあった日から30日以内に委託料を支払うものとする。
(償還払)
第10条 町長は、対象者が次に掲げる事項に該当するときは、償還払いの方法により費用の助成を行うものとする。
(1) 協定病院等以外で乳児健康診査を受診したとき。
(2) その他町長が認めたとき。
2 対象者の保護者が償還払いによる助成を受けようとするときは、受診日から1年以内に西伊豆町乳児健康診査費用助成申請書兼請求書(様式第9号)に、次に掲げる書類を添付し、町長に申請しなければならない。
(1) 受診した協定外医療機関等の領収書の写し
(2) 使用しなかった受診票
(3) 母子健康手帳の乳児健康診査等の記録の写し
(4) その他、町長が必要と認める書類
(助成金の返還)
第11条 町長は偽りその他不正な行為により助成金の支給を受けた者があるときは、その者に対し、助成金の全部又は一部の返還を命じることができる。
(その他)
第12条 この要綱に定めるもののほか、乳児健康診査の実施に関し必要な事項は、町長が別に定める。
附則
この要綱は、公布の日から施行し、令和7年4月1日から適用する。
別表(第4条関係)
健康診査 | 受診時期の目安 | 内容 |
1か月児 | 生後27日から6週未満の乳児 | (1) 問診及び診察 (2) 身体計測 (3) ビタミンK2投与の確認及び必要に応じて投与 (4) 新生児聴覚検査、先天性代謝異常検査の実施の有無 (5) その他必要とする保健指導等 ※(3)及び(4)は1か月児健康診査のみ |
4か月児 | 生後4か月から5か月未満の乳児 | |
10か月児 | 生後10か月から11か月未満の乳児 |









